移動機器人輪子類型的選擇與輪子裝配或輪子幾何特征的選擇緊密相關。移動機器人的設計者在設計輪式機器人的運動機構時,需要同時考慮這兩個問題。為何輪子的類型和輪子的幾何特征如此重要?因為機器人的三個基本特征受這些選擇所支配:機動性、可控性和穩定性。
汽車大都為高度標準化的環境(道路網)而設計,與其不同的是,移動機器人則是 為應用在種類繁多的環境而設計。汽車全部共享相同的輪子結構,因為在設計空間 中存在一個區域,使得它們對標準化環境(鋪好的公路)的機動性、可控性和穩定性Z大。可是,不同的移動機器人面臨各種不同環境,沒有單d一個輪子結構可以使這些 品質Z大化。所以,你會看到移動機器人的輪子結構種類繁多。實際上,除了為道路 系統設計的移動機器人外,很少機器人使用汽車的Ackerman 輪子結構,因為它的機 動性較差。
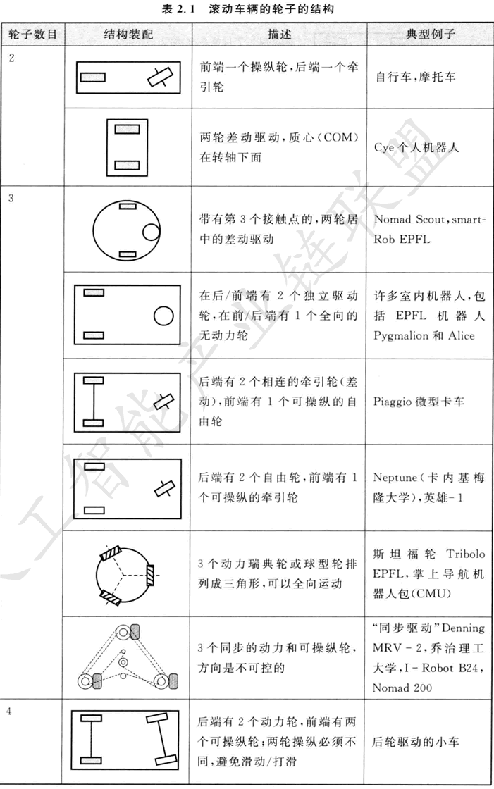
表2.1給出了輪子結構的概貌,按輪子數目排序。表中描述了特殊輪子類型的選擇和機器人底盤上它們的幾何結構這兩個方面。我們注意到,所示的某些輪子結構在移動機器人的應用中很少用到。例如,兩輪自行車裝配,其機動性中等,可控性 差。再像單腿跳躍機,它根本不能靜止地站著。不過,表中提供了在運動機器人設計 中可能用到的許多種類輪子結構的說明。
表2.1中種類的數目是很多的。不過,這里列出了重要的趨向和分組,它可幫助 理解各結構的優點和缺點。下面,根據以前確認的三個問題:穩定性、機動性和可控性,我們來確認一下某些關鍵性的折衷。
令人驚奇的是,靜態穩定所要求的Z小輪子數目是2個。如上所述,如果質心在輪軸下面, 一個兩輪差動驅動的機器人可以實現靜態穩定。 Cye 就是使用這種輪子 結構的商業移動機器人(圖2.27)。



![]() |
| 機器人底盤 Disinfection Robot 消毒機器人 講解機器人 迎賓機器人 移動機器人底盤 商用機器人 智能垃圾站 智能服務機器人 大屏機器人 霧化消毒機器人 展廳機器人 服務機器人底盤 具身智能教育機器人 智能配送機器人 導覽機器人 |